Hệ Thống Điện
Hệ thống phần mềm
Hệ thống phần mềm
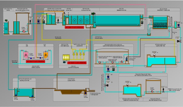
Hệ thống phần mềm hỗ trợ vận hành và quản lý hệ thống
Hệ thống scada: Điều khiển và giám sát, sử dụng công nghệ VPN, hệ thống báo cáo.
Tự động hóa trạm bơm nước thô: Điều khiển bơm theo lưu lượng nước thô.
Tự động hóa trạm bơm hóa chất:
Điều khiển châm hóa chất tự động theo độ đục và lưu lượng nước thô
Điều khiển châm pH theo pH nước thô
Điều khiển hệ thống Clo tự động
Tự động hóa trạm xử lý: Điều khiển hệ thống cào bùn, điều khiển hệ thống rửa lọc.
Tự động hóa trạm bơm nước cấp: Điều khiển áp lực và lưu lượng.
